Tủ ATS là gì? Chức năng của tủ ATS
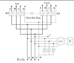
Tủ ATS là hệ thống chuyển đổi nguồn tự động, có tác dụng khi điện lưới mất thì máy phát tự động khởi động và đóng điện cho phụ tải. Khi nguồn lưới phục hồi thì hệ thống tự chuyển nguồn trở lại và tự động tắt máy phát.

Ngoài ra, Tủ chuyển đổi nguồn tự động thường có chức năng bảo vệ khi Điện Lưới và Điện Máy bị sự cố như: mất trung tính, thấp áp thời gian chuyển đổi có thể điều chỉnh.
Chức năng hoạt động của tủ ATS:
Trong thời gian đi lắp máy và bảo hành máy phát điện 2009 đến 2011 mình thấy một số người vận hành thường không sử dụng chức năng auto của Tủ ATS nguyên nhân do những đơn vị đó không hoạt động về đêm, ngày nghỉ…hoặc vào đêm tiếng ồn động cơ gây ảnh hưởng tới môi trường xung quanh không được phép hoạt động. Như vậy chúng ta cần một chức năng định thời nhằm đảm bảo nhu cầu sau vào các thời gian ca nghỉ, ngày nghỉ nếu mất nguồn điện chính hệ thống sẽ khởi động máy phát điện mini hoặc nhỏ nhằm đáp ứng nhu cầu chiếu sáng thông thường. Hệ thống sẽ không khởi động máy phát điện chính nhằm tiết kiệm chi phí xăng dầu. Vào những ca làm việc thì tủ ATS vẫn chuyển sang nguồn điện dự phòng nếu điện lưới mất. Còn một chức năng ít kĩ thuật thiết kế hệ thống điện đưa vào gây lãng phí tài nguyên hệ thống điện.
* Tự động gửi tín hiệu khởi động máy khi: điện lưới mất hoàn toàn, điện lưới mất pha, điện lưới có điện áp thấp hơn giá trị cho phép.Thời gian chuyển đổi sang nguồn máy phát là 5 – 30 giây
* Khi điện lưới phục hồi, bộ ATS ngay lập tức chuyển phụ tải sang nguồn lưới. Máy tự động tắt sau khi chạy làm mát 1 -2 phút.
* Có khả năng vận hành tự động hoặc bằng nhân công.
* Có hệ thống đèn chỉ thị.
* Điều chỉnh được thời gian chuyển mạch.
Một số đèn báo và nút nhấn chức năng thường gặp:
Đèn báo Mains Available sáng báo hiệu Điện Lưới nằm trong phạm vi cho phép.
* Đèn báo Mains On Load sáng báo hiệu Điện Lưới đang cung cấp ra cho phụ tải.
* Đèn báo Generator Available sáng báo hiệu Điện Máy có giá trị cho phép .
* Đèn báo Generator On Load sáng báo hiệu Điện Máy đang cung cấp ra cho phụ tải.
* Hoãn khởi động máy phát (Delay Start), thời gian này tuỳ chỉnh.
* Hoãn phục hồi điện lưới trở lại (Delay On Restoration), thời gian này tuỳ chỉnh.
* Hoãn đóng điện lưới vào phụ tải (Delay On Transfer), thời gian này tuỳ chỉnh.
* Hoãn đóng điện máy vào phụ tải (Warm Up), thời gian này tuỳ chỉnh.
* Chạy làm mát máy ( Cool Down ), thời gian này tuỳ chỉnh.
* Cho phép máy cố gắng khởi động tối đa 03 lần.
* Sạc bình accu tự động (Automatic Battery Charger) điều tiết nguyên tắc xung.
* Bộ ATS cho phép người sử dụng chọn nguồn Điện Lưới hay Điện máy cung cấp ra phụ tải khi cần thiết thông qua công tắc Manual Switch.

Lắp ráp và cài đặt:
* Tủ ATS có cấu tạo đơn giản, do đó có thể lắp ráp trong hoặc ngòai nước. Chất lượng tủ ATS phụ thuộc vào thiết bị đóng cắt.
* Thiết bị và linh kiện G7 lắp ráp tại Việt Nam. Thường sử dụng Contactor hoặc máy cắt điện lưới MCCB 3 phase tùy theo công suất máy .
* Khi lắp tủ ATS cần lưu ý đến phần tử bảo vệ đầu phát điện.
Do một số hãng có tích hợp MCCB bảo vệ đầu phát có nhà cung cấp lại để là options. Nếu khi lắp ATS mà không lưu ý đến việc bảo vệ ngắn mạch cho đầu phát. Khi dùng máy phát có thể làm cháy đầu phát máy phát điện.
Click để xem sản phẩm tủ ats :https://tandaihung.vn/product/cat/47-tu-ats.html
Xem thêm sản phẩm liên quan: vỏ tủ điện
TIN LIÊN QUAN
